Công tắc tơ 3 pha và cách đấu contactor 3 pha chi tiết
Thứ Hai, 9/12/2024 | 20:39 GMT+7
Công tắc tơ 3 pha là thiết bị không thể thiếu trong các hệ thống điện công nghiệp. Hãy cùng TECHNO tìm hiểu chi tiết về linh kiện và cách sử dụng thiết bị này để đảm bảo hiệu quả vận hành tối ưu nhất nhé!
I. Công tắc tơ 3 pha là gì?
Công tắc tơ 3 pha (hay còn gọi là contactor 3 pha) là một thiết bị có chức năng đóng ngắt mạch điện trong hệ thống 3 pha, thường được sử dụng để điều khiển các thiết bị tiêu thụ điện công suất lớn như động cơ, máy biến áp, hệ thống chiếu sáng công nghiệp và các tải điện khác.
Do đó, công tắc là sản phẩm không thể thiếu của các nhà nhà cung cấp thiết bị công nghiệp. Công tắc tơ hoạt động dựa trên nguyên lý từ trường sinh ra khi có dòng điện chạy qua cuộn dây, giúp đóng hoặc mở các tiếp điểm.

II. Cấu tạo và nguyên lý hoạt động của công tắc tơ 3 pha
Trước khi tìm hiểu về cách đấu contactor 3 pha, bạn cần biết rõ về cấu tạo và nguyên lý hoạt động của công tắc tơ 3 pha.
Cấu tạo của công tắc tơ 3 pha
- Cuộn dây: Đây là bộ phận tạo ra từ trường khi cấp điện, giúp đóng mở tiếp điểm.
- Tiếp điểm chính: Bộ phận thực hiện việc đóng ngắt mạch chính, thường là ba tiếp điểm cho ba pha.
- Tiếp điểm phụ: Tiếp điểm phụ được dùng trong mạch điều khiển, có thể là tiếp điểm thường mở (NO) hoặc thường đóng (NC).
- Lõi từ (nam châm điện): Bộ phận này gồm hai phần (lõi cố định và lõi di động), hỗ trợ di chuyển để thực hiện thao tác đóng/ngắt.
- Vỏ bảo vệ: Đây là nơi bao bọc các thành phần bên trong, đảm bảo an toàn.

Nguyên lý hoạt động của công tắc 3 pha
Công tắc 3 pha hoạt động theo nguyên lý sau: Khi cấp điện vào cuộn dây, từ trường sinh ra sẽ hút lõi từ di động, kéo các tiếp điểm chính và phụ đóng lại (trạng thái “đóng mạch”). Bên cạnh đó, khi ngắt điện, từ trường biến mất, các lò xo hồi vị sẽ đẩy lõi từ trở về vị trí ban đầu và mở mạch điện.

III. Cách đấu công tắc tơ 3 pha
Để biết cách đấu contactor 3 pha, trước tiên bạn cần chuẩn bị các dụng cụ cần thiết và hiểu về các thành phần của công tắc tơ 3 pha:
Dụng cụ cần thiết: Đồng hồ đo điện, kìm, tua vít, dây dẫn điện có tiết diện phù hợp.
Công tắc tơ 3 pha gồm hai phần chính:
- Mạch lực (mạch động lực) hỗ trợ kết nối nguồn điện 3 pha với tải.
- Mạch điều khiển sẽ cấp nguồn cho cuộn dây của công tắc tơ để điều khiển đóng/ngắt.
Sơ đồ cơ bản công tắc tơ 3 pha
- Đấu mạch động lực:
- Đầu L1, L2, L3: Kết nối với nguồn điện 3 pha.
- Đầu T1, T2, T3: Kết nối với tải (động cơ, thiết bị tiêu thụ điện).
- Đấu mạch điều khiển:
- Cấp nguồn AC hoặc DC vào cuộn dây của công tắc tơ (A1 và A2).
- Sau đó, bạn sử dụng công tắc nhấn hoặc rơ-le trung gian để điều khiển dòng điện vào cuộn dây.
- Bạn có thể thêm tiếp điểm phụ để giữ mạch khi hoạt động.

Cách đấu contactor 3 pha
Bước 1: Đấu mạch động lực
- Bạn kết nối dây pha L1, L2, L3 từ nguồn vào đầu vào của công tắc tơ.
- Bạn nối đầu ra T1, T2, T3 tới tải (ví dụ: động cơ 3 pha).
Bước 2: Đấu mạch điều khiển
- Bạn kết nối nguồn điều khiển (AC hoặc DC) vào cuộn dây A1 và A2.
- Sau đó, bạn thêm nút nhấn ON/OFF để điều khiển cuộn dây:
- Nút ON có nghĩa là đang cấp nguồn cho cuộn dây.
- Nút OFF có nghĩa là đã ngắt nguồn cuộn dây.
- Nếu cần, hãy sử dụng tiếp điểm phụ để giữ mạch (NO – Thường mở).
Bước 3: Kiểm tra công tắc tơ 3 pha
- Bạn dùng đồng hồ đo điện kiểm tra kết nối và đảm bảo không có chập hoặc hở mạch.
- Cuối cùng, hãy bật nguồn thử nghiệm để kiểm tra hoạt động của công tắc tơ

IV. 20 sơ đồ cách đấu dây công tắc tơ 3 pha
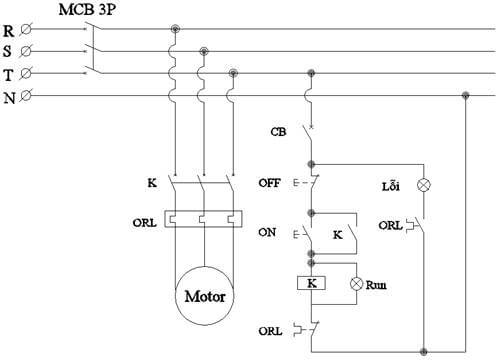
1. Mạch điều khiển dùng công tắc 2 vị trí
Mạch điều khiển dùng công tắc 2 vị trí công tắc tơ 3 pha hoạt động dựa trên nguyên lý bật/tắt đơn giản. Khi công tắc chuyển sang vị trí ON, nguồn điện được cấp cho cuộn dây contactor, làm đóng các tiếp điểm chính, cấp nguồn cho tải như động cơ hoặc bơm.

Khi công tắc chuyển sang vị trí OFF, cuộn dây contactor mất điện, các tiếp điểm mở ra, ngắt nguồn tải. Sơ đồ đấu dây gồm nguồn điều khiển nối qua công tắc đến cuộn dây contactor, trong khi nguồn động lực 3 pha cấp điện qua các tiếp điểm chính đến tải. Mạch này phù hợp cho các hệ thống cần điều khiển thủ công, dễ thao tác.
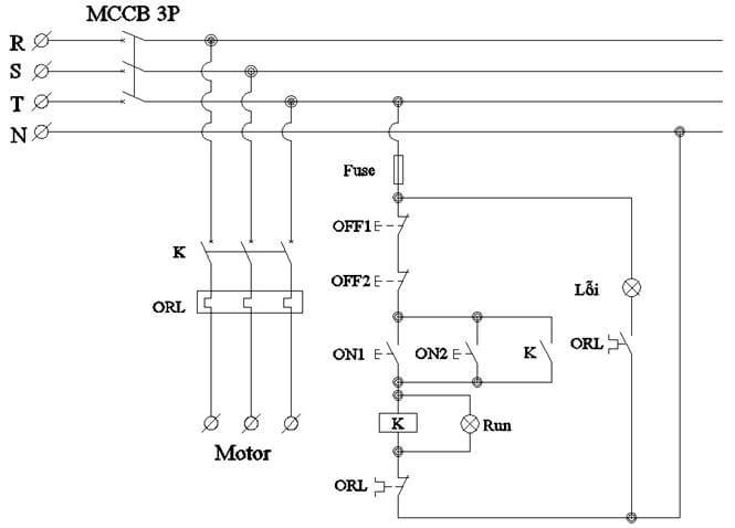
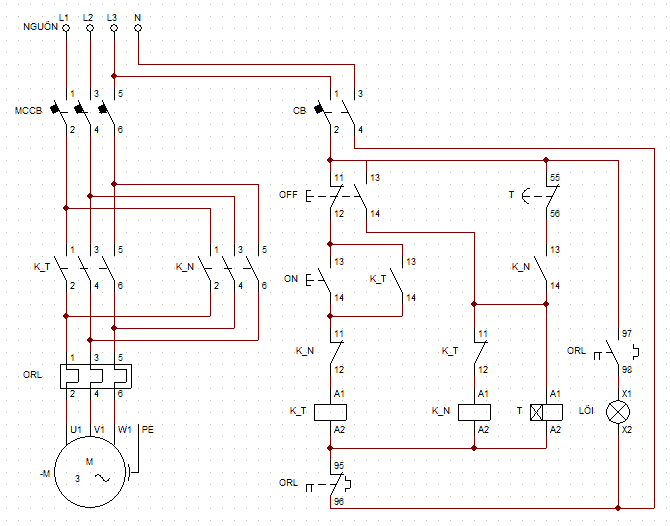
2. Sơ đồ mạch ON OFF 2 nút nhấn
Mạch ON-OFF 2 nút nhấn sử dụng nút ON (thường mở) để cấp điện cho cuộn dây contactor và nút OFF (thường đóng) để ngắt mạch. Khi nhấn nút ON, cuộn dây contactor hút, đóng các tiếp điểm chính, cấp nguồn cho tải. Khi nhấn nút OFF, cuộn dây mất điện, tiếp điểm mở ra, ngắt nguồn tải. Mạch công tắc tơ 3 pha còn sử dụng tiếp điểm phụ của contactor để duy trì trạng thái hoạt động, phù hợp trong điều khiển động cơ hoặc thiết bị công nghiệp.

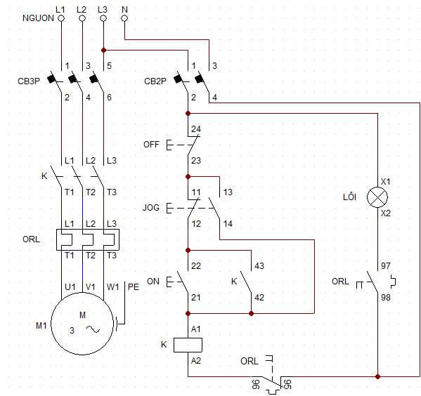
3. Mạch điều khiển bật, tắt và nhấp thử
Mạch điều khiển bật, tắt và nhấp thử gồm ba nút: Bật, Tắt và Nhấp thử. Nút “Bật” cấp điện cho cuộn dây contactor, giữ trạng thái hoạt động qua tiếp điểm phụ. Nút “Tắt” ngắt nguồn, dừng tải. Nút “Nhấp thử” cấp điện tạm thời khi nhấn, giúp kiểm tra nhanh hoạt động của tải trước khi chạy liên tục. Mạch phù hợp để kiểm tra và vận hành thiết bị công nghiệp.

4. Mạch điều khiển ở 2 vị trí
Mạch điều khiển ở 2 vị trí công tắc tơ 3 pha sử dụng hai bộ nút nhấn ON và OFF được đặt tại hai vị trí khác nhau và nối song song. Cả hai vị trí đều có thể điều khiển bật/tắt mạch một cách độc lập, giúp thuận tiện trong vận hành. Mạch thường được ứng dụng để điều khiển thiết bị từ xa tại hai khu vực, như hệ thống chiếu sáng hành lang hoặc băng chuyền sản xuất.

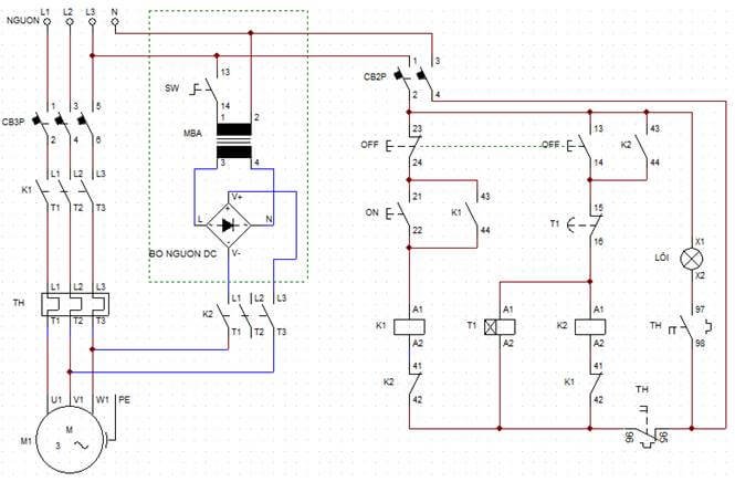
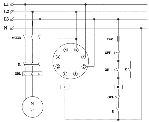
5. Mạch khởi động sao tam giác
Mạch khởi động sao tam giác hoạt động bằng cách nối động cơ ở chế độ “sao” khi khởi động, giúp giảm dòng điện ban đầu. Sau một khoảng thời gian cài đặt trên Timer, mạch tự động chuyển sang chế độ “tam giác”, cho phép động cơ hoạt động với công suất tối đa. Mạch này được sử dụng phổ biến trong các hệ thống động cơ công suất lớn để bảo vệ lưới điện và tăng tuổi thọ thiết bị.

6. Mạch hãm động năng
Mạch hãm động năng hoạt động bằng cách tiêu tán năng lượng dư thừa qua điện trở hãm khi dừng động cơ, giúp động cơ dừng nhanh hơn và ngăn ngừa hiện tượng quá tốc. Mạch này thường được ứng dụng trong các hệ thống băng tải, cần trục, nơi yêu cầu dừng động cơ chính xác và an toàn.

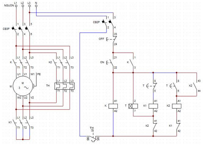
7. Mạch hãm ngược
Mạch hãm ngược công tắc tơ 3 pha hoạt động bằng cách đảo chiều hai pha của động cơ trong thời gian ngắn, tạo lực cản để dừng động cơ nhanh chóng. Mạch này được ứng dụng trong các thiết bị yêu cầu dừng nhanh như thang máy, cần trục hoặc máy công cụ.

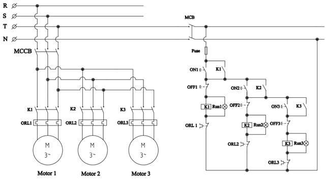
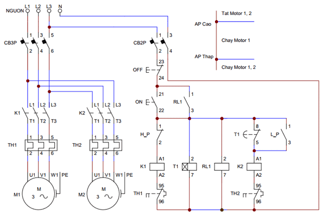
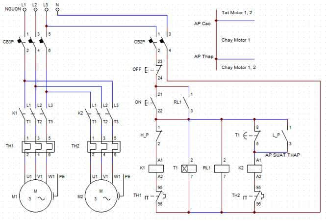
8. Mạch tuần tự 3 động cơ
Mạch tuần tự 3 động cơ hoạt động bằng cách sử dụng Timer hoặc rơ-le để bật/tắt 3 động cơ theo thứ tự định trước, giúp phân phối tải đồng đều giữa các thiết bị. Mạch này được ứng dụng trong các hệ thống băng chuyền hoặc các hệ thống công nghiệp yêu cầu điều khiển nhiều động cơ hoạt động luân phiên, giúp bảo vệ động cơ và tối ưu hóa hiệu suất làm việc.

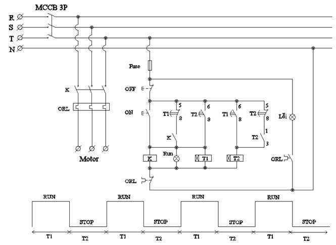
9. Mạch chạy dừng luân phiên dùng Timer
Mạch chạy dừng luân phiên sử dụng Timer để cài đặt khoảng thời gian cố định, cho phép các thiết bị chạy hoặc dừng theo chu kỳ. Timer giúp đảm bảo rằng các thiết bị hoạt động luân phiên mà không bị quá tải. Mạch này thường được ứng dụng trong các hệ thống bơm nước luân phiên, giúp bảo vệ động cơ và tiết kiệm năng lượng, đồng thời duy trì sự hoạt động ổn định của hệ thống.

10. Mạch điều khiển 2 bơm chạy luân phiên
Mạch điều khiển 2 bơm chạy luân phiên công tắc tơ 3 pha giúp phân chia công suất giữa các bơm, giảm tải cho mỗi bơm và kéo dài tuổi thọ thiết bị. Khi một bơm chạy, bơm còn lại sẽ nghỉ để giảm sự mài mòn và tăng độ bền của thiết bị. Mạch này thường được ứng dụng trong các hệ thống bơm nước sinh hoạt hoặc xử lý nước thải.

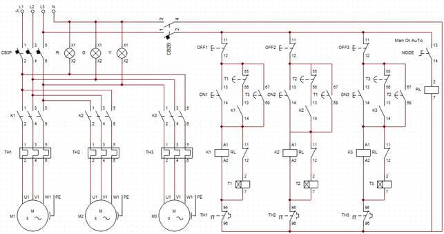
11. Mạch điều khiển 3 bơm chạy luân phiên
Mạch điều khiển 3 bơm chạy luân phiên công tắc tơ 3 pha sử dụng Timer và rơ-le trung gian để điều khiển các bơm hoạt động theo chu kỳ. Mỗi bơm sẽ có khoảng thời gian hoạt động riêng biệt, giúp phân phối tải đều và tránh quá tải cho từng thiết bị. Mạch này được ứng dụng trong các hệ thống bơm công nghiệp hoặc chữa cháy.

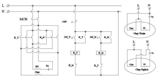
12. Mạch đảo chiều động cơ 1 pha 4 dây
Mạch đảo chiều động cơ 1 pha 4 dây hoạt động bằng cách thay đổi thứ tự đấu dây giữa cuộn dây chạy và cuộn dây đề, từ đó thay đổi hướng quay của động cơ. Việc đảo chiều động cơ giúp thay đổi hướng vận hành của thiết bị, rất hữu ích trong các ứng dụng như quạt trần hoặc động cơ bơm nhỏ. Mạch công tắc tơ 3 pha này giúp điều chỉnh chiều quay của động cơ theo nhu cầu mà không cần thay đổi cấu hình thiết bị.

13. Sơ đồ đấu dây contactor 3 pha điều khiển động cơ 1 pha
Sơ đồ đấu dây công tắc tơ 3 pha điều khiển động cơ 1 pha sử dụng công tắc tơ 3 pha để bật hoặc tắt động cơ 1 pha, nhưng chỉ sử dụng 2 trong 3 tiếp điểm chính. Điều này cho phép điều khiển từ xa một cách linh hoạt mà không cần phải sử dụng hệ thống điều khiển phức tạp. Mạch này được ứng dụng trong các thiết bị nhỏ hoặc những thiết bị cần điều khiển đơn giản từ xa, tiết kiệm không gian và chi phí.

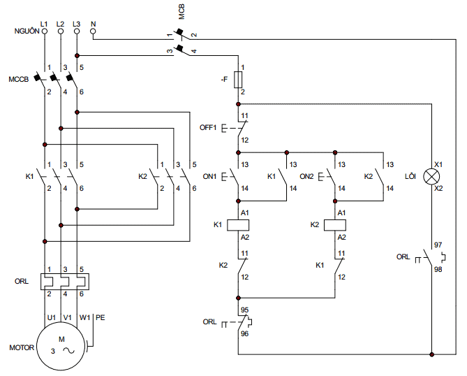
14. Mạch đảo chiều động cơ 3 pha
Mạch đảo chiều động cơ 3 pha hoạt động bằng cách thay đổi vị trí hai pha bất kỳ trong ba pha của động cơ, giúp thay đổi hướng quay của động cơ. Việc đảo chiều động cơ này là cần thiết trong các hệ thống như máy kéo hoặc các ứng dụng nâng hạ, nơi yêu cầu động cơ có thể quay theo cả hai hướng để thực hiện các nhiệm vụ khác nhau.

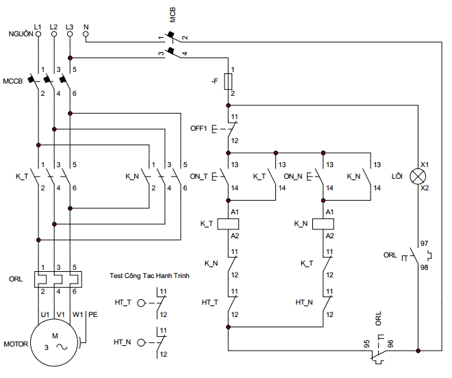
15. Đảo chiều quay với công tắc hành trình
Mạch đảo chiều quay với công tắc hành trình sử dụng công tắc hành trình để ngắt hoặc đổi chiều quay của động cơ khi động cơ chạm giới hạn. Công tắc hành trình hoạt động như một cảm biến vật lý, đảm bảo rằng động cơ chỉ chạy trong phạm vi cho phép. Mạch này được ứng dụng trong các hệ thống như thang máy hoặc băng tải.

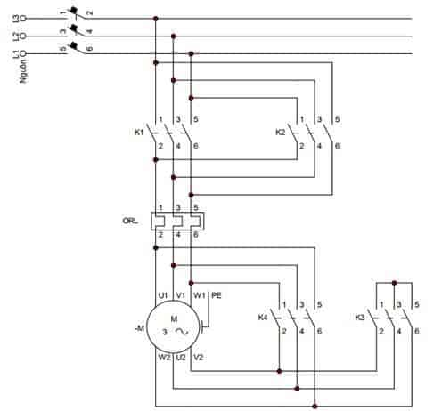
16. Mạch đảo chiều sao tam giác
Mạch đảo chiều sao tam giác công tắc tơ 3 pha kết hợp giữa đảo chiều động cơ và chế độ sao tam giác để khởi động động cơ an toàn. Khi động cơ được khởi động trong chế độ sao, dòng khởi động được giảm thiểu, giúp bảo vệ động cơ khỏi sự cố quá tải. Sau đó, mạch chuyển sang chế độ tam giác để động cơ hoạt động với công suất tối đa. Mạch này rất thích hợp cho các động cơ công nghiệp lớn, giúp tối ưu hóa quá trình khởi động và đảo chiều một cách an toàn.

17. Mạch đảo chiều từ xa bằng sóng RF
Mạch đảo chiều từ xa bằng sóng RF công tắc tơ 3 pha sử dụng sóng vô tuyến (RF) để điều khiển đảo chiều động cơ từ xa, giúp loại bỏ sự cần thiết phải có các kết nối dây phức tạp. Sóng RF cung cấp khả năng điều khiển linh hoạt và tiện lợi, cho phép người vận hành điều chỉnh hướng quay của động cơ từ xa mà không cần tiếp xúc trực tiếp. Mạch này thường được ứng dụng trong các hệ thống tưới tiêu tự động hoặc cửa cuốn.
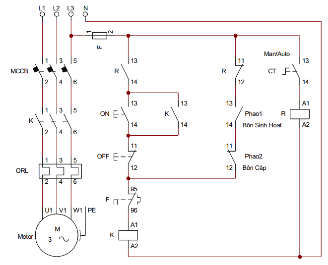
18. Điều khiển bơm có phao báo cạn và báo tràn
Mạch điều khiển bơm có phao báo cạn và báo tràn công tắc tơ 3 pha sử dụng phao điện để kiểm soát mực nước, tự động bật hoặc tắt bơm khi mực nước đạt mức nhất định. Khi mực nước thấp, phao báo cạn sẽ kích hoạt bơm để bơm nước vào và khi mực nước đầy, phao báo tràn sẽ ngắt bơm để tránh tình trạng tràn nước. Mạch này được ứng dụng trong các hệ thống bơm nước hồ chứa.

19. Mạch gọi bơm tự động
Mạch gọi bơm tự động sử dụng cảm biến hoặc công tắc áp suất để tự động bật hoặc tắt bơm khi có sự thay đổi về áp suất hoặc mực nước. Mạch này giúp đảm bảo rằng bơm chỉ hoạt động khi cần thiết, giảm thiểu lãng phí năng lượng và bảo vệ bơm khỏi hoạt động quá tải. Đây là giải pháp lý tưởng cho các hệ thống cấp nước sinh hoạt, nơi yêu cầu sự điều khiển chính xác và tự động.

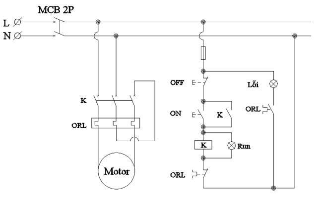
20. Mạch bảo vệ mất pha
Mạch bảo vệ mất pha công tắc tơ 3 pha sử dụng rơ-le bảo vệ để ngắt động cơ khi một pha bị mất, giúp tránh các hư hỏng tiềm tàng cho thiết bị. Khi có sự cố mất pha trong hệ thống điện, mạch này sẽ tự động ngắt động cơ, bảo vệ động cơ khỏi bị cháy hoặc hư hỏng. Mạch này được ứng dụng trong các hệ thống động cơ 3 pha công nghiệp.

V. Ứng dụng của công tắc tơ 3 pha
Công tắc tơ 3 pha có nhiều ứng dụng trong thực tế, trong đó phải kể đến:
- Điều khiển động cơ: Linh kiện được dùng trong các hệ thống điều khiển động cơ 3 pha.
- Điều khiển chiếu sáng: Công tắc tơ ba pha dùng để bật/tắt các hệ thống chiếu sáng công suất lớn.
- Điều khiển thiết bị sưởi hoặc làm mát: Sản phẩm được dùng trong các ứng dụng HVAC.
- Bảo vệ hệ thống điện: Cuối cùng, công tắc tơ 3 pha kết hợp với rơ-le nhiệt để bảo vệ quá tải.

Trên đây là toàn bộ thông tin về công tắc tơ 3 pha và cách đấu contactor 3 pha chi tiết. Nếu bạn muốn mua linh kiện từ nhà cung cấp thiết bị công nghiệp uy tín, hãy liên hệ ngay tới TECHNO để được hỗ trợ nhé!
VI. TECHNO – Giải pháp đo lường toàn diện cho doanh nghiệp
Bạn đang tìm kiếm giải pháp đo lường chính xác, đáng tin cậy và hiệu quả cho doanh nghiệp của mình? TECHNO Việt Nam (TVI), với hơn 15 năm kinh nghiệm, tự hào là nhà cung cấp hàng đầu các thiết bị đo lường, dụng cụ công nghiệp, máy móc và hệ thống tại Việt Nam và khu vực Châu Á Thái Bình Dương. Chúng tôi hợp tác chặt chẽ với các nhà sản xuất uy tín trên thế giới, mang đến những công nghệ tiên tiến nhất, đáp ứng mọi nhu cầu khắt khe của các ngành công nghiệp.
Lựa chọn TECHNO Việt Nam, bạn nhận được gì?
- Giải pháp toàn diện: Từ tư vấn kỹ thuật, tìm nguồn cung ứng, cung cấp thiết bị, đến dịch vụ hậu mãi (bảo trì, sửa chữa, hiệu chuẩn, cung cấp vật tư), TECHNO đồng hành cùng bạn trong mọi giai đoạn.
- Sản phẩm chất lượng cao: Chúng tôi cam kết cung cấp các thiết bị đo lường, dụng cụ và máy móc chính hãng, đảm bảo độ chính xác, tin cậy và bền bỉ.
- Đội ngũ chuyên gia giàu kinh nghiệm: Các kỹ sư, thạc sĩ của TECHNO luôn sẵn sàng hỗ trợ, tư vấn và đưa ra giải pháp tối ưu nhất cho doanh nghiệp của bạn.
- Nâng cao năng suất và chất lượng: Các giải pháp của TECHNO giúp bạn cải tiến quy trình sản xuất, kiểm soát chất lượng chặt chẽ, từ đó nâng cao hiệu quả hoạt động.
- Đối tác tin cậy: Chúng tôi xây dựng mối quan hệ hợp tác lâu dài, bền vững với khách hàng và đối tác, dựa trên sự tin tưởng và tôn trọng.
- Phù hợp đa dạng ngành: TECHNO đã và đang cung cấp cho đa dạng các ngành công nghiệp điển hình như sản xuất Ô tô, hàng không, Điện tử, Nhựa và cao su…
Khám phá ngay các giải pháp đo lường tiên tiến của TECHNO và nâng tầm doanh nghiệp của bạn! [Xem chi tiết sản phẩm]
Liên hệ với chúng tôi để được tư vấn và hỗ trợ:
Văn phòng Hà Nội:
- Địa chỉ: Tầng 5, 84 Duy Tân, Quận Cầu Giấy, Hà Nội, Việt Nam
- Số điện thoại: +84 (24) 3795 9933
- Fax: +84 (24) 3795 9944
- Đường dây nóng: 0911 559 559
- Email: Sales@technovietnam.com
Văn phòng TP.HCM:
- Địa chỉ: Số 54, Đường số 6, Khu Trung Sơn (KDC Trung Sơn), Bình Hưng, Huyện Bình Chánh, TP.HCM
- Số Điện thoại: +84 (28) 3836 3077
- Fax: +84 (28) 5431 6378
- Đường dây nóng: 0911 559 559
- Email: Sales@technovietnam.com
TECHNO Việt Nam – Đồng hành cùng sự phát triển của bạn!
Bình luận bài viết