Control panel heat exchangers – ENH-B4025
Cam kết và Chính sách của TECHNO
-
Cam kết 100% Hàng chính hãng
-
Chất lượng cao, đáp ứng đa dạng nhu cầu
-
Tư vấn kỹ thuật toàn diện và chuyên sâu
-
Chính sách bảo hành và hỗ trợ nhanh chóng
Nội dung bài viết
ToggleSpecifications
| External dimensions (mm) | H70×W40×D25 |
|---|---|
| Weight (kg) | 0.7 |
| Operation setting temperature (℃) | 40 |
| Reset temperature (℃) | 25 |
| Tolerance (℃) | ±5 |
| External output | Alarm output (250V 2.5A) |
Note: ON during operation, OFF during recovery
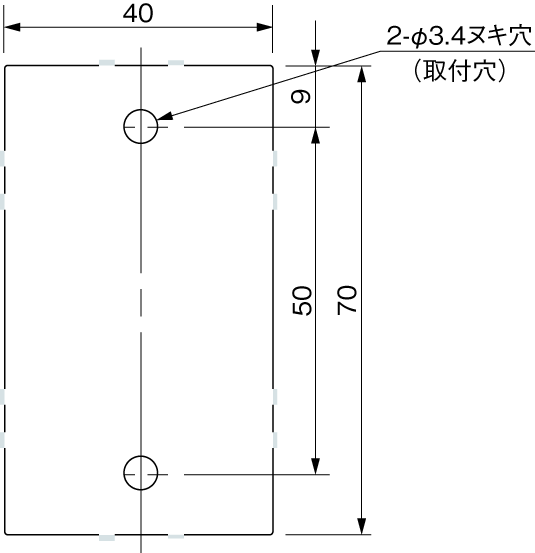
External dimensions

Diagram of Panel Cutout

[Caution]
When powering up the device beyond its rated current, insert an appropriate relay etc.
Refrain from using the device outside the housing of the control panel etc.
Avoid using the device in hot, humid places or those where there are a lot of corrosive gases etc.
Avoid using the device in places where there is an excessive amount of dust, oil mist etc.
Do not remove the cover when the power is turned on.
Sản phẩm tương tự
Bài viết liên quan
So sánh máy rung IMV vs VST: Nên chọn hệ thống nào cho phòng lab thử nghiệm?
Trong kiểm tra độ bền sản phẩm, hệ thống máy rung đóng vai trò then chốt trong việc mô phỏng các điều kiện rung động thực tế như vận chuyển, vận hành và môi trường khắc nghiệt. Hiện nay, hai thương hiệu được nhiều doanh nghiệp quan tâm là IMV và VST, đều cung cấp hệ thống rung điện động phục vụ thử nghiệm. Bài viết này sẽ so sánh máy rung IMV và VST dựa trên nguyên lý hoạt…
Hệ thống thử rung và môi trường: Nguyên lý, cấu tạo và ứng dụng
Hệ thống thử rung & môi trường là giải pháp kiểm tra quan trọng giúp mô phỏng đồng thời rung động cơ học và các điều kiện môi trường như nhiệt độ, độ ẩm để đánh giá độ bền và độ tin cậy của sản phẩm. Hệ thống này được ứng dụng rộng rãi trong các ngành điện tử, ô tô, hàng không và thiết bị công nghiệp nhằm đảm bảo sản phẩm hoạt động ổn định trong điều kiện…
Độ nhám bề mặt là gì? Các thông số, tiêu chuẩn và cấp độ
Trong gia công cơ khí, độ nhám bề mặt là chỉ tiêu quan trọng dùng để đánh giá mức độ nhẵn hay gồ ghề của bề mặt chi tiết sau khi gia công. Thông số này ảnh hưởng trực tiếp đến ma sát, khả năng lắp ghép, độ bền, tuổi thọ sản phẩm và hiệu quả làm việc của các bộ phận chuyển động. Vậy độ nhám bề mặt là gì, được đánh giá qua những thông số nào và…
CÔNG NGHỆ BÁN DẪN LÀ GÌ? VÌ SAO CẢ THẾ GIỚI ĐANG “CHẠY ĐUA” VỚI CHIP?
Công nghệ bán dẫn (Semiconductor) được xem là nền tảng cốt lõi của hầu hết các thiết bị điện tử và hệ thống công nghệ hiện đại. Từ điện thoại thông minh, máy tính cá nhân cho đến ô tô điện, trí tuệ nhân tạo (AI), fintech, viễn thông và vệ tinh — gần như mọi công nghệ hiện đại đều phụ thuộc vào những con chip bán dẫn siêu nhỏ. Vậy công nghệ bán dẫn là gì, chuỗi giá…
Cách chọn máy đo độ dày lớp phủ phù hợp cho từng vật liệu và ứng dụng
Cách chọn máy đo độ dày lớp phủ là mối quan tâm của nhiều doanh nghiệp sản xuất, phòng QC/QA và phòng thí nghiệm. Độ dày lớp sơn, mạ hoặc coating ảnh hưởng trực tiếp đến chất lượng, độ bền và khả năng bảo vệ bề mặt sản phẩm. Việc chọn sai thiết bị có thể dẫn đến kết quả đo không chính xác, gây rủi ro trong kiểm soát chất lượng và nghiệm thu. Bài viết này sẽ cung…